
| Product Specifications | ||
|---|---|---|
| Model | LR20(Double cylinder duplex mast) | LR20(triplex full free mast) |
| Power Type | Battery | Battery |
| Operation Type | Stand On | Stand On |
| Rated Capacity | 4409.245lbs. | 4409.245lbs. |
| Load Center | 19.685 inch. | 19.685 inch. |
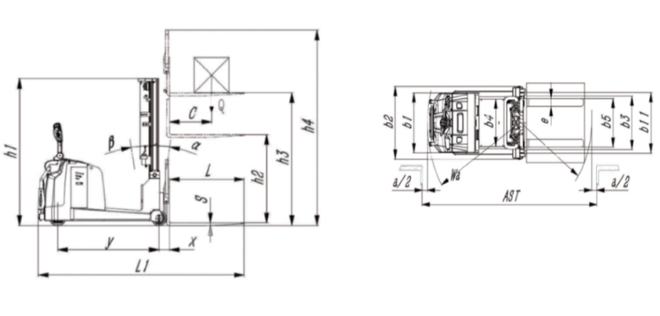
| Wheel Base | 57 inch. | 57 inch. |
| Service Weight | 5621.788 lbs. | 6062.712 lbs. |
| Dimensions | ||
|---|---|---|
| Tilting | 2/5 (Mast Tilting) | 2/5 (Fork Tilting) |
| Mast Closed Height | Refer to Mast spec | Refer to Mast spec |
| Free Lift Height | Refer to Mast spec | Refer to Mast spec |
| Lift Height | Refer to Mast spec | Refer to Mast spec |
| Mast extended height w/ load-backrest | Refer to Mast spec | Refer to Mast spec |
| Overall Length | 117.71″ | 117.71″ |
| Overall Width | 35.43″/ 46.85″ | 35.43″/ 46.85″ |
| Fork Size | 42.12″/ 4.80″/ 1.57″ | 42.12″/ 4.80″/ 1.57″ |
| Fork Outside Width | 10.39″-28.81″ | 10.39″-28.81″ |
| Handle Height | 41.14″/ 57.67″ | 41.14″/ 57.67″ |
| Mast Ground Clearance | 3.14 | 3.14″ |
| Aisle width for pallet 39.37″x 47.24″ pedal off | 124.01″ | 124.01″ |
| Aisle width for pallet 31.49″x 47.24″ pedal off | 128.74″ | 128.74″ |
| Turning Radius (pedal off) | 68.11″ | 68.11″ |
| Performance | ||
|---|---|---|
| Driving Speed (load/unload) | 3.4/6 mph | 3.4/6 mph |
| Lifting Speed (load/unload) | 3.93/ 5.51 inch/s | 3.93/ 5.51 inch/s |
| Lowering Speed (load/unload) | 3.93/ 3.74 inch/s | 3.54/3.74 inch/s |
| Max. gradeability (load/unload) (S2-5min) | 6/10 % (tan0) | 6/10 % (tan0) |
| Brake Type | Electromagnetic | Electromagnetic |
| Drive | ||
|---|---|---|
| Driving Motor/Power(S2-60min) | 2.5KW | 2.5KW |
| Lifting Motor/Power(S3-10%) | 3KW | 3KW |
| Battery Voltage/Capacity | 24/270 V/Ah (side pull) | 24/270 V/Ah (side pull) |
| Battery Weight | 518.08 lbs. | 518.08 lbs. |
| Steering System | EPS | EPS |

Product features




- Smooth and modern shape, multi-curved design for cover, overall forming, with wide view mast
- Three-pivot structure ensures stable body during the load stacking process; non-floating
- Thick bottom plate structure for the body, which effectively reduces the center of gravity, more stable and efficient when handling and stacking
- High-quality allow H-shaped channel steel mast, with excellent bending and torsion resistance, steady and durable, ensuring the load capacity.
- Maintenance-free AC motor for reduced maintenance costs. After-sales engineers can quickly and accurately read the forklift data through the encoder, which shortens the maintenance time.
- The front cover easily disassembles, the electrical components and hydraulic components are arranged centrally, which makes the maintenance much easier